< Electronics

Overview

A multiplexer is a device that brings the concept of a rotary switch in analog electronics to the digital side. It is a device which, based on some input, will change the connection of its other inputs to its outputs. Conceptually a digital multiplexers functionality is the same as an analog one, only it handles everything digitally. Because of the mathematical concept of combinatorix they can be used to replace chain logic circuits. However, this is not done frequently because multiplexer based logic has a comparably high propagation delay.

Configuration


The circuit above has 2 Control Lines A1Ao which can be used as 2 Selectors . Depend on the value of the Selectors only one of the Output Lines can be high . The circuit above has the capability to select the output line

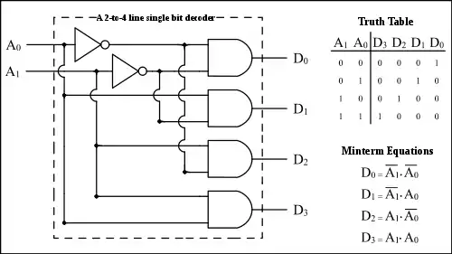
The operation of the circuit above can be summarized in the Truth Table below

A1A0D3D2D120
000001
010010
100100
111000


In general

2 Selectors can select 22 = 4 output lines
3 Selectors can select 23 = 8 output lines
n Selectors can select 2n output lines

Of course, the above discussion is about what is known as a Demultiplexer, where 1 line is switched to N lines. The article is misleading because while it shows that one of the outputs goes high, it does not pass a signal through, so it really isn't even about a Demultiplexer, but rather a 2 to 4 line decoder. A Multiplexor takes N lines and selects one to be the output. See Multiplexer on multiple sites, including Wikepedia. It can be confusing when dealing with an Analog Switch, which is a CMOS based device that is inherently bidirectional, and there are Analog Multiplexers/Demultiplexers. -- Steve KD4TTC

This article is issued from Wikibooks. The text is licensed under Creative Commons - Attribution - Sharealike. Additional terms may apply for the media files.