< Electronics Fundamentals

Rectifier

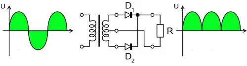
Rectifier is a Device that converts AC Electricity to DC Electricity

Configurations

Transformer with centered tap

Transformer without centered tap

This article is issued from Wikibooks. The text is licensed under Creative Commons - Attribution - Sharealike. Additional terms may apply for the media files.