< Open Standards < Multipurpose AC-Battery

This chapter describes the mechanical requirements and definitions for a multipurpose AC-battery pack.

Requirements:

The mechanical construction has to fulfill the following requirements:

- All the accumulator packs have the same defined length and width. They shall be useable in e-Bikes as well as in electric vehicles.

- There are three variants in height.

- All sizes shall fit on the same holder and connector.

- They shall have a carry / fix / release handle with comfortable diameter and sufficient space for the fingers.

- The accumulator packs shall have small wheels at the connector side to ease insertion.

- The ground plane common to all sizes has to be flat and support heat sinking.

- The weight shall not exceed the weight of a six pack of coke bottles (12Kg).

- The accumulator packs shall withstand rain

Specification:

Dimensions:

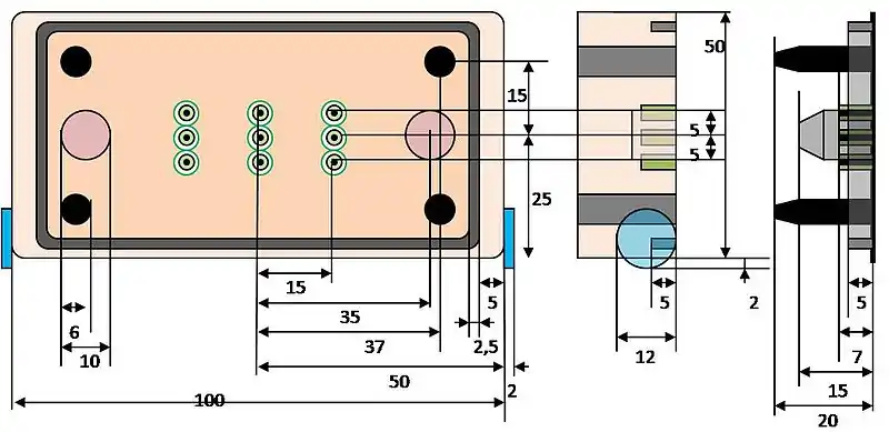
All battery packs shall have an overall length of 360mm without the handle.


All battery packs shall have an overall with of 100mm exclusive the handle arms and fixation and w with of 105mm inclusive the handle arms and fixation. The fixation and the insertio wheels shall have a with of 2mm on each side. A tongue and grouve ring is used to make the connection side waterproof. The connector side is symmetrically. There are three sizes of AC batteries: small (50mm), medium (100mm) and large (200mm).


Connectors:

For power connection there are two female ring contacts inside with a diameter of 10mm. They shall have the ability to carry up to 300A continuous current and insulation for 3000V. For control connection, there are 3x3 female connectors inside. type: "PHOENIX CONTACT - 1792760 - PLUG, FREE, 5.08MM, 3WAY" (better suggestions welcome). Current rating: >0,1A, insultion voltage: 3000V.



Connection right side: Power pole MINUS if positive voltage is requested.

Upper pin : RX data from control unit (or previous battery pack)

Intermediate pin: Signal ground for RX data and marker

Lower pin: Input Marker from control unit (or previous battery pack)


Connection left side: Power pole PLUS if positive voltage is requested.

Upper pin : TX data to next battery pack (or control unit)

Intermediate pin: Signal ground for TX data and marker

Lower pin: Output Marker to next battery pack (or control unit)


Connection in the middle:

Upper pin : Input command signal from control unit

Intermediate pin: Signal ground for trigger and command signal

Lower pin: Input trigger signal from control unit

This article is issued from Wikibooks. The text is licensed under Creative Commons - Attribution - Sharealike. Additional terms may apply for the media files.