ELECTRICITY SUPPLY. I. General Principles.—The improvements made in the dynamo and electric motor between 1870 and 1880 and also in the details of the arc and incandescent electric lamp towards the close of that decade, induced engineers to turn their attention to the question of the private and public supply of electric current for the purpose of lighting and power. T. A. Edison[1] and St G. Lane Fox[2] were among the first to see the possibilities and advantages of public electric supply, and to devise plans for its practical establishment. If a supply of electric current has to be furnished to a building the option exists in many cases of drawing from a public supply or of generating it by a private plant.
Private Plants.—In spite of a great amount of ingenuity devoted to the development of the primary battery and the thermopile, no means of generation of large currents can compete in economy with the dynamo. Hence a private electric generating plant involves the erection of a dynamo which may be driven either by a steam, gas or oil engine, or by power obtained by means of a turbine from a low or high fall of water. It may be either directly coupled to the motor, or driven by a belt; and it may be either a continuous-current machine or an alternator, and if the latter, either single-phase or polyphase. The convenience of being able to employ storage batteries in connexion with a private-supply system is so great that unless power has to be transmitted long distances, the invariable rule is to employ a continuous-current dynamo. Where space is valuable this is always coupled direct to the motor; and if a steam-engine is employed, an enclosed engine is most cleanly and compact. Where coal or heating gas is available, a gas-engine is exceedingly convenient, since it requires little attention. Where coal gas is not available, a Dowson gas-producer can be employed. The oil-engine has been so improved that it is extensively used in combination with a direct-coupled or belt-driven dynamo and thus forms a favourite and easily-managed plant for private electric lighting. Lead storage cells, however, as at present made, when charged by a steam-driven dynamo deteriorate less rapidly than when an oil-engine is employed, the reason being that the charging current is more irregular in the latter case, since the single cylinder oil-engine only makes an impulse every other revolution. In connexion with the generator, it is almost the invariable custom to put down a secondary battery of storage cells, to enable the supply to be given after the engine has stopped. This is necessary, not only as a security for the continuity of supply, but because otherwise the costs of labour in running the engine night and day become excessive. The storage battery gives its supply automatically, but the dynamo and engine require incessant skilled attendance. If the building to be lighted is at some distance from the engine-house the battery should be placed in the basement of the building, and underground or overhead conductors, to convey the charging current, brought to it from the dynamo.
It is usual, in the case of electric lighting installations, to reckon all lamps in their equivalent number of 8 candle power (c.p.) incandescent lamps. In lighting a private house or building, the first thing to be done is to settle the total number of incandescent lamps and their size, whether 32 c.p., 16 c.p. or 8 c.p. Lamps of 5 c.p. can be used with advantage in small bedrooms and passages. Each candle-power in the case of a carbon filament lamp can be taken as equivalent to 3.5 watts, or the 8 c.p. lamp as equal to 30 watts, the 16 c.p. lamp to 60 watts, and so on. In the case of metallic filament lamps about 1.0 or 1.25 watts. Hence if the equivalent of 100 carbon filament 8 c.p. lamps is required in a building the maximum electric power-supply available must be 3000 watts or 3 kilowatts. The next matter to consider is the pressure of supply. If the battery can be in a position near the building to be lighted, it is best to use 100-volt incandescent lamps and enclosed arc lamps, which can be worked singly off the 100-volt circuit. If, however, the lamps are scattered over a wide area, or in separate buildings somewhat far apart, as in a college or hospital, it may be better to select 200 volts as the supply pressure. Arc lamps can then be worked three in series with added resistance. The third step is to select the size of the dynamo unit and the amount of spare plant. It is desirable that there should be at least three dynamos, two of which are capable of taking the whole of the full load, the third being reserved to replace either of the others when required. The total power to be absorbed by the lamps and motors (if any) being given, together with an allowance for extensions, the size of the dynamos can be settled, and the power of the engines required to drive them determined. A good rule to follow is that the indicated horse-power (I.H.P.) of the engine should be double the dynamo full-load output in kilowatts; that is to say, for a 10-kilowatt dynamo an engine should be capable of giving 20 indicated (not nominal) H.P. From the I.H.P. of the engine, if a steam engine, the size of the boiler required for steam production becomes known. For small plants it is safe to reckon that, including water waste, boiler capacity should be provided equal to evaporating 40 ℔ of water per hour for every I.H.P. of the engine. The locomotive boiler is a convenient form; but where large amounts of steam are required, some modification of the Lancashire boiler or the water-tube boiler is generally adopted. In settling the electromotive force of the dynamo to be employed, attention must be paid to the question of charging secondary cells, if these are used. If a secondary battery is employed in connexion with 100-volt lamps, it is usual to put in 53 or 54 cells. The electromotive force of these cells varies between 2.2 and 1.8 volts as they discharge; hence the above number of cells is sufficient for maintaining the necessary electromotive force. For charging, however, it is necessary to provide 2.5 volts per cell, and the dynamo must therefore have an electromotive force of 135 volts, plus any voltage required to overcome the fall of potential in the cable connecting the dynamo with the secondary battery. Supposing this to be 10 volts, it is safe to install dynamos having an electromotive force of 150 volts, since by means of resistance in the field circuits this electromotive force can be lowered to 110 or 115 if it is required at any time to dispense with the battery. The size of the secondary cell will be determined by the nature of the supply to be given after the dynamos have been stopped. It is usual to provide sufficient storage capacity to run all the lamps for three or four hours without assistance from the dynamo.
As an example taken from actual practice, the following figures give the capacity of the plant put down to supply 500 8 c.p. lamps in a hospital. The dynamos were 15-unit machines, having a full-load capacity of 100 amperes at 150 volts, each coupled direct to an engine of 25 H.P.; and a double plant of this description was supplied from two steel locomotive boilers, each capable of evaporating 800 ℔ of water per hour. One dynamo during the day was used for charging the storage battery of 54 cells; and at night the discharge from the cells, together with the current from one of the dynamos, supplied the lamps until the heaviest part of the load had been taken; after that the current was drawn from the batteries alone. In working such a plant it is necessary to have the means of varying the electromotive force of the dynamo as the charging of the cells proceeds. When they are nearly exhausted, their electromotive force is less than 2 volts; but as the charging proceeds, a counter-electromotive force is gradually built up, and the engineer-in-charge has to raise the voltage of the dynamo in order to maintain a constant charging current. This is effected by having the dynamos designed to give normally the highest E.M.F. required, and then inserting resistance in their field circuits to reduce it as may be necessary. The space and attendance required for an oil-engine plant are much less than for a steam-engine.
Public Supply.—The methods at present in successful operation for public electric supply fall into two broad divisions:—(1) continuous-current systems and (2) alternating-current systems. Continuous-current systems are either low- or high-pressure. In the former the current is generated by dynamos at some pressure less than 500 volts, generally about 460 volts, and is supplied to users at half this pressure by means of a three-wire system (see below) of distribution, with or without the addition of storage batteries.
The general arrangements of a low-pressure continuous-current town supply station are as follows:—If steam is the motive power selected, it is generated under all the best conditions of economy by a battery of boilers, and supplied to engines which are now almost invariably Low-pressure continuous supply.coupled direct, each to its own dynamo, on one common bedplate; a multipolar dynamo is most usually employed, coupled direct to an enclosed engine. Parsons or Curtis steam turbines (see Steam-Engine) are frequently selected, since experience has shown that the costs of oil and attendance are far less for this type than for the reciprocating engine, whilst the floor space and, therefore, the building cost are greatly reduced. In choosing the size of unit to be adopted, the engineer has need of considerable experience and discretion, and also a full knowledge of the nature of the public demand for electric current. The rule is to choose as large units as possible, consistent with security, because they are proportionately more economical than small ones. The over-all efficiency of a steam dynamo—that is, the ratio between the electrical power output, reckoned say in kilowatts, and the I.H.P. of the engine, reckoned in the same units—is a number which falls rapidly as the load decreases, but at full load may reach some such value as 80 or 85%. It is common to specify the efficiency, as above defined, which must be attained by the plant at full-load, and also the efficiencies at quarter- and half-load which must be reached or exceeded. Hence in the selection of the size of the units the engineer is guided by the consideration that whatever units are in use shall be as nearly as possible fully loaded. If the demand on the station is chiefly for electric lighting, it varies during the hours of the day and night with tolerable regularity. If the output of the station, either in amperes or watts, is represented by the ordinates of a curve, the abscissae of which represent the hours of the day, this load diagram for a supply station with lighting load only, is a curve such as is shown in fig. 1, having a high peak somewhere between 6 and 8 p.m. The area enclosed by this load-diagram compared with the area of the circumscribing rectangle is called the load-factor of the station. This varies from day to day during the year, but on the average for a simple lighting load is not generally above 10 or 12%, and may be lower. Thus the total output from the station is only some 10% on an average of that which it would be if the supply were at all times equal to the maximum demand. Roughly speaking, therefore, the total output of an electric supply station, furnishing current chiefly for electric lighting, is at best equal to about two hours’ supply during the day at full load. Hence during the greater part of the twenty-four hours a large part of the plant is lying idle.
Fig. 1.
It is usual to provide certain small sets of steam dynamos, called the daylight machines, for supplying the demand during the day and later part of the evening, the remainder of the machines being called into requisition only for a short time. Provision must be made for sufficient reserve of plant, so that the breakdown of one or more sets will not cripple the output of the station.
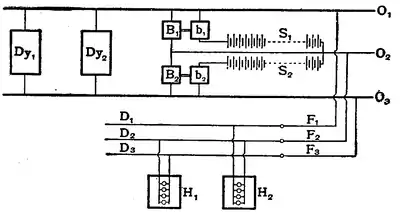
Assuming current to be supplied at about 460 volts by different and separate steam dynamos, Dy1, Dy2 (fig. 2), the machines are connected through proper amperemeters and voltmeters with omnibus bars, O1, O2, O3, on a main switchboard, so that any dynamo can be put in connexion Three-wire system.or removed. The switchboard is generally divided into three parts—one panel for the connexions of the positive feeders, F1, with the positive terminals of the generators; one for the negative feeders, F3, and negative generator terminals; while from the third (or middle-wire panel) proceed an equal number of middle-wire feeders, F2. These sets of conductors are led out into the district to be supplied with current, and are there connected into a distributing system, consisting of three separate insulated conductors, D1, D2, D3, respectively called the positive, middle and negative distributing mains. The lamps in the houses, H1, H2, &c., are connected between the middle and negative, and the middle and positive, mains by smaller supply and service wires. As far as possible the numbers of lamps installed on the two sides of the system are kept equal; but since it is not possible to control the consumption of current, it becomes necessary to provide at the station two small dynamos called the balancing machines, B1, B2, connected respectively between the middle and positive and the middle and negative omnibus bars.
Fig. 2.
These machines may have their shafts connected together, or they may be driven by separate steam dynamos; their function is to supply the difference in the total current circulating through the whole of the lamps respectively on the two opposite sides of the middle wire. If storage batteries are employed in the station, it is usual to install two complete batteries, S1, S2, which are placed in a separate battery room and connected between the middle omnibus bar and the two outer omnibus bars. The extra electromotive force required to charge these batteries is supplied by two small dynamos b1, b2, called boosters. It is not unusual to join together the two balancing dynamos and the two boosters on one common bedplate, the shafts being coupled and in line, and to employ the balancing machines as electromotors to drive the boosters as required. By the use of reversible boosters, such as those made by the Lancashire Dynamo & Motor Company under the patents of Turnbull & McLeod, having four field windings on the booster magnets (see The Electrician, 1904, p. 303), it is possible to adjust the relative duty of the dynamos and battery so that the load on the supply dynamos is always constant. Under these conditions the main engines can be worked all the time at their maximum steam economy and a smaller engine plant employed. If the load in the station rises above the fixed amount, the batteries discharge in parallel with the station dynamos; if it falls below, the batteries are charged and the station dynamos take the external load.
Figs. 3 and 4.—Low-pressure Supply Station.
The general arrangements of a low-pressure supply station are shown in figs. 3 and 4. It consists of a boiler-house containing a bank of boilers, either Lancashire or Babcock & Wilcox being generally used (see Boiler), which furnish steam to the engines and dynamos, provision being made by duplicate steam-pipes Generating stations.or a ring main so that the failure of a single engine or dynamo does not cripple the whole supply. The furnace gases are taken through an economizer (generally Green’s) so that they give up their heat to the cold feed water. If condensing water is available the engines are worked condensing, and this is an essential condition of economy when steam turbines are employed. Hence, either a condensing water pond or a cooling tower has to be provided to cool the condensing water and enable it to be used over and over again. Preferably the station should be situated near a river or canal and a railway siding. The steam dynamos are generally arranged in an engine-room so as to be overlooked from a switchboard gallery (fig. 3), from which all the control is carried out. The boiler furnaces are usually stoked by automatic stokers. Owing to the relatively small load factor (say 8 or 10%) of a station giving electric supply for lighting only, the object of every station engineer is to cultivate a demand for electric current for power during the day-time by encouraging the use of electric motors for lifts and other purposes, but above all to create a demand for traction purposes. Hence most urban stations now supply current not only for electric lighting but for running the town tramway system, and this traction load being chiefly a daylight load serves to keep the plant employed and remunerative. It is usual to furnish a continuous current supply for traction at 500 or 600 volts, although some station engineers are advocating the use of higher voltages. In those stations which supply current for traction, but which have a widely scattered lighting load, double current dynamos are often employed, furnishing from one and the same armature a continuous current for traction purposes, and an alternating current for lighting purposes.
In some places a high voltage system of electric supply by continuous current is adopted. In this case the current is generated at a pressure of 1000 or 2000 volts, and transmitted from the generating station by conductors, called high-pressure feeders, to certain sub-centres High-pressure continuous supply.or transformer centres, which are either buildings above ground or cellars or excavations under the ground. In these transformer centres are placed machines, called continuous-current transformers, which transform the electric energy and create a secondary electric current at a lower pressure, perhaps 100 or 150 volts, to be supplied by distributing mains to users (see Transformers). From these sub-centres insulated conductors are run back to the generating station, by which the engineer can start or stop the continuous-current rotatory transformers, and at the same time inform himself as to their proper action and the electromotive force at the secondary terminals. This system was first put in practice in Oxford, England, and hence has been sometimes called by British engineers “the Oxford system.” It is now in operation in a number of places in England, such as Wolverhampton, Walsall, and Shoreditch in London. It has the advantage that in connexion with the low-pressure distributing system secondary batteries can be employed, so that a storage of electric energy is effected. Further, continuous-current arc lamps can be worked in series off the high-pressure mains, that is to say, sets of 20 to 40 arc lamps can be operated for the purpose of street lighting by means of the high-pressure continuous current.
The alternating current systems in operation at the present time are the single-phase system, with distributing transformers or transformer sub-centres, and the polyphase systems, in which the alternating current is transformed down into an alternating current of low pressure, or, by means Alternating supply.of rotatory transformers, into a continuous current. The general arrangement of a single-phase alternating-current system is as follows: The generating station contains a number of alternators, A1 A2 (fig. 5), producing single-phase alternating current, either at 1000, 2000, or sometimes, as at Deptford and other places, 10,000 volts. This current is distributed from the station either at the pressure at which it is generated, or after being transformed up to a higher pressure by the transformer T. The alternators are sometimes worked in parallel, that is to say, all furnish their current to two common omnibus bars on a high-pressure switchboard, and each is switched into circuit at the moment when it is brought into step with the other machines, as shown by some form of phase-indicator. In some cases, instead of the high-pressure feeders starting from omnibus bars, each alternator works independently and the feeders are grouped together on the various alternators as required.
Fig. 5.
A number of high-pressure feeders are carried from the main switchboard to various transformer sub-centres or else run throughout the district to which current is to be furnished. If the system laid down is the transformer sub-centre system, then at each of these sub-centres is placed a battery of alternating-current transformers, T1 T2 T3, having their primary circuits all joined in parallel to the terminals of the high-pressure feeders, and their secondary circuits all joined in parallel on a distributing main, suitable switches and cut-outs being interposed. The pressure of the current is then transformed down by these transformers to the required supply pressure. The secondary circuits of these transformers are generally provided with three terminals, so as to supply the low-pressure side on a three-wire system. It is not advisable to connect together directly the secondary circuits of all the different sub-centres, because then a fault or short circuit on one secondary system affects all the others. In banking together transformers in this manner in a sub-station it is necessary to take care that the transformation ratio and secondary drop (see Transformers) are exactly the same, otherwise one transformer will take more than its full share of the load and will become overheated. The transformer sub-station system can only be adopted where the area of supply is tolerably compact. Where the consumers lie scattered over a large area, it is necessary to carry the high-pressure mains throughout the area, and to place a separate transformer or transformers in each building. From a financial point of view, this “house-to-house system” of alternating-current supply, generally speaking, is less satisfactory in results than the transformer sub-centre system. In the latter some of the transformers can be switched off, either by hand or by automatic apparatus, during the time when the load is light, and then no power is expended in magnetizing their cores. But with the house-to-house system the whole of the transformers continually remain connected with the high-pressure circuits; hence in the case of supply stations which have only an ordinary electric lighting load, and therefore a load-factor not above 10%, the efficiency of distribution is considerably diminished.
The single-phase alternating-current system is defective in that it cannot be readily combined with secondary batteries for the storage of electric energy. Hence in many places preference is now given to the polyphase system. In such a system a polyphase alternating current, either two- or three-phase, is transmitted from the generating station at a pressure of 5000 to 10,000 volts, or sometimes higher, and at various sub-stations is transformed down, first by static transformers into an alternating current of lower pressure, say 500 volts, and then by means of rotatory transformers into a continuous current of 500 volts or lower for use for lighting or traction.
In the case of large cities such as London, New York, Chicago, Berlin and Paris the use of small supply stations situated in the interior of the city has gradually given way to the establishment of large supply stations outside the area; in these alternating current is generated on the single or polyphase system at a high voltage and transmitted by underground cables to sub-stations in the city, at which it is transformed down for distribution for private and public electric lighting and for urban electric traction.
Owing to the high relative cost of electric power when generated in small amounts and the great advantages of generating it in proximity to coal mines and waterfalls, the supply of electric power in bulk to small towns and manufacturing districts has become a great feature in modern electrical engineering. In Great Britain, where there is little useful water power but abundance of coal, electric supply stations for supply in bulk have been built in the coal-producing districts of South Wales, the Midlands, the Clyde valley and Yorkshire. In these cases the current is a polyphase current generated at a high voltage, 5000 to 10,000 volts, and sometimes raised again in pressure to 20,000 or 40,000 volts and transmitted by overhead lines to the districts to be supplied. It is there reduced in voltage by transformers and employed as an alternating current, or is used to drive polyphase motors coupled to direct current generators to reproduce the power in continuous current form. It is then distributed for local lighting, street or railway traction, driving motors, and metallurgical or electro-chemical applications. Experience has shown that it is quite feasible to distribute in all directions for 25 miles round a high-pressure generating station, which thus supplies an area of nearly 2000 sq. m. At such stations, employing large turbine engines and alternators, electric power may be generated at a works cost of 0.375d. per kilowatt (K.W.), the coal cost being less than 0.125d. per K.W., and the selling price to large load-factor users not more than 0.5d. per K.W. The average price of supply from the local generating stations in towns and cities is from 3d. to 4d. per unit, electric energy for power and heating being charged at a lower rate than that for lighting only.
We have next to consider the structure and the arrangement of the conductors employed to convey the currents from their place of creation to that of utilization. The conductors themselves for the most part consist of copper having a conductivity of not less than 98% according to Conductors.Matthiessen’s standard. They are distinguished as (1) External conductors, which are a part of the public supply and belong to the corporation or company supplying the electricity; (2) Internal conductors, or house wiring, forming a part of the structure of the house or building supplied and usually the property of its owner.
The external conductors may be overhead or underground. Overhead conductors may consist of bare stranded copper cables carried on porcelain insulators mounted on stout iron or wooden poles. If the current is a high-pressure one, these insulators must be carefully tested, and are External conductors.preferably of the pattern known as oil insulators. In and near towns it is necessary to employ insulated overhead conductors, generally india-rubber-covered stranded copper cables, suspended by leather loops from steel bearer wires which take the weight. The British Board of Trade have issued elaborate rules for the construction of overhead lines to transmit large electric currents. Where telephone and telegraph wires pass over such overhead electric lighting wires, they have to be protected from falling on the latter by means of guard wires.
By far the largest part, however, of the external electric distribution is now carried out by underground conductors, which are either bare or insulated. Bare copper conductors may be carried underground in culverts or chases, air being in this case the insulating material, as in the overhead system. A culvert and covered chase is constructed under the road or side-walk, and properly shaped oak crossbars are placed in it carrying glass or porcelain insulators, on which stranded copper cables, or, preferably, copper strips placed edgeways, are stretched and supported. The advantages of this method of construction are cheapness and the ease with which connexions can be made with service-lines for house supply; the disadvantages are the somewhat large space in which coal-gas leaking out of gas-pipes can accumulate, and the difficulty of keeping the culverts at all times free from rain-water. Moisture has a tendency to collect on the negative insulators, and hence to make a dead earth on the negative side of the main; while unless the culverts are well ventilated, explosions from mixtures of coal-gas and air are liable to occur. Insulated cables are insulated either with a material which is in itself waterproof, or with one which is only waterproof in so far as it is enclosed in a waterproof tube, e.g. of lead. Gutta-percha and india-rubber are examples of materials of the former kind. Gutta-percha, although practically everlasting when in darkness and laid under water, as in the case of submarine cables, has not been found satisfactory for use with large systems of electric distribution, although much employed for telephone and telegraph work. Insulated underground external conductors are of three types:—(a) Insulated Cables drawn into Pipes.—In this system of distribution cast-iron or stoneware pipes, or special stoneware conduits, or conduits made of a material called bitumen concrete, are first laid underground in the street. These contain a number of holes or “ways,” and at intervals drawing-in boxes are placed which consist of a brick or cast-iron box having a water-tight lid, by means of which access is gained to a certain section of the conduit. Wires are used to draw in the cables, which are covered with either india-rubber or lead, the copper being insulated by means of paper, impregnated jute, or other similar material. The advantages of a drawing-in system are that spare ways can be left when the conduits are put in, so that at a future time fresh cables can be added without breaking up the roadway. (b) Cables in Bitumen.—One of the earliest systems of distribution employed by T. A. Edison consisted in fixing two segment-shaped copper conductors in a steel tube, the interspace between the conductors and the tube being filled in with a bitumen compound. A later plan is to lay down an iron trough, in which the cables are supported by wooden bearers at proper distances, and fill in the whole with natural bitumen. This system has been carried out extensively by the Callendar Cable Company. Occasionally concentric lead-covered and armoured cables are laid in this way, and then form an expensive but highly efficient form of insulated conductor. In selecting a system of distribution regard must be paid to the nature of the soil in which the cables are laid. Lead is easily attacked by soft water, although under some conditions it is apparently exceedingly durable, and an atmosphere containing coal-gas is injurious to india-rubber. (c) Armoured Cables.—In a very extensively used system of distribution armoured cables are employed. In this case the copper conductors, two, three or more in number, may be twisted together or arranged concentrically, and insulated by means of specially prepared jute or paper insulation, overlaid with a continuous tube of lead. Over the lead, but separated by a hemp covering, is put a steel armour consisting of two layers of steel strip, wound in opposite directions and kept in place by an external covering. Such a cable can be laid directly in the ground without any preparation other than the excavation of a simple trench, junction-boxes being inserted at intervals to allow of branch cables being taken off. The armoured cable used is generally of the concentric pattern (fig. 6). It consists of a stranded copper cable composed of a number of wires twisted together and overlaid with an insulating material. Outside this a tubular arrangement of copper wires and a second layer of insulation, and finally a protective covering of lead and steel wires or armour are placed. In some cases three concentric cylindrical conductors are formed by twisting wires or copper strips with insulating material between. In others two or three cables of stranded copper are embedded in insulating material and included in a lead sheath. This last type of cable is usually called a two- or three-core pattern cable (fig. 7).The arrangement and nature of the external conductors depends on the system of electric supply in which they are used. In the case of continuous-current supply for incandescent electric lighting and motive power in small units, when the external conductors are laid down on the three-wire system, each main or branch cable in the street consists of a set of three conductors called the positive, middle and negative.

Fig. 6.—Armoured Concentric Cable (Section). |
Fig. 7.—Triple Conductor Armoured Cable (Section). | ||
IC, | Inner conductor. | C, | Copper conductor. |
OC, | Outer conductor. | I, | Insulation. |
I, | Insulation. | L, | Lead sheath. |
L, | Lead sheath. | H, | Hemp covering. |
S, | Steel armour | S, | Steel armour. |
H, | Hemp covering. |
Of these triple conductors some run from the supply station to various points in the area of supply without being tapped, and are called the feeders; others, called the distributing mains, are used for making connexions with the service lines of the consumers, one service line, as already explained, being connected to the middle conductor, and the other to either the positive or the negative one. Since the middle conductor serves to convey only the difference between the currents being used on the two sides of the system, it is smaller in section than the positive and negative ones. In laying out the system great judgment has to be exercised as to the selection of the points of attachment of the feeders to the distributing mains, the object being to keep a constant electric pressure or voltage between the two service-lines in all the houses independently of the varying demand for current. Legally the suppliers are under regulations to keep the supply voltage constant within 4% either way above or below the standard pressure. As a matter of fact very few stations do maintain such good regulation. Hence a considerable variation in the light given by the incandescent lamps is observed, since the candle-power of carbon glow lamps varies as the fifth or sixth power of the voltage of supply, i.e. a variation of only 2% in the supply pressure affects the resulting candle-power of the lamps to the extent of 10 or 12%. This variation is, however, less in the case of metallic filament lamps (see Lighting: Electric). In the service-lines are inserted the meters for measuring the electric energy supplied to the customer (see Meter, Electric).
In the interior of houses and buildings the conductors generally consist of india-rubber-covered cables laid in wood casing. The copper wire must be tinned and then covered, first with a layer of unvulcanized pure india-rubber, then with a layer of vulcanized rubber, and lastly Interior wiring. with one or more layers of protective cotton twist or tape. No conductor of this character employed for interior house-wiring should have a smaller insulation resistance than 300 megohms per mile when tested with a pressure of 600 volts after soaking 24 hours in water. The wood casing should, if placed in damp positions or under plaster, be well varnished with waterproof varnish. As far as possible all joints in the run of the cable should be avoided by the use of the so-called looping-in system, and after the wiring is complete, careful tests for insulation should be made. The Institution of Electrical Engineers of Great Britain have drawn up rules to be followed in interior house-wiring, and the principal Fire Insurance offices, following the lead of the Phoenix Fire Office, of London, have made regulations which, if followed, are a safeguard against bad workmanship and resulting possibility of damage by fire. Where fires having an electric origin have taken place, they have invariably been traced to some breach of these rules. Opinions differ, however, as to the value and security of this method of laying interior conductors in buildings, and two or three alternative systems have been much employed. In one of these, called the interior conduit system, highly insulating waterproof and practically fireproof tubes or conduits replace the wooden casing; these, being either of plain insulating material, or covered with brass or steel armour, may be placed under plaster or against walls. They are connected by bends or joint-boxes. The insulated wires being drawn into them, any short circuit or heating of the wire cannot give rise to a fire, as it can only take place in the interior of a non-inflammable tube. A third system of electric light wiring is the safety concentric system, in which concentric conductors are used. The inner one, which is well insulated, consists of a copper-stranded cable. The outer may be a galvanized iron strand, a copper tape or braid, or a brass tube, and is therefore necessarily connected with the earth. A fourth system consists in the employment of twin insulated wires twisted together and sheathed with a lead tube; the conductor thus formed can be fastened by staples against walls, or laid under plaster or floors.
The general arrangement for distributing current to the different portions of a building for the purpose of electric lighting is to run up one or more rising mains, from which branches are taken off to distributing boxes on each floor, and from these boxes to carry various branch circuits to the lamps. At the distributing boxes are collected the cut-outs and switches controlling the various circuits. When alternating currents are employed, it is usual to select as a type of conductor either twin-twisted conductor or concentric; and the employment of these types of cable, rather than two separate cables, is essential in any case where there are telephone or telegraph wires in proximity, for otherwise the alternating current would create inductive disturbances in the telephone circuit. The house-wiring also comprises the details of switches for controlling the lamps, cut-outs or fuses for preventing an excess of current passing, and fixtures or supports for lamps often of an ornamental character. For the details of these, special treatises on electric interior wiring must be consulted.
For further information the reader may be referred to the following books:—C. H. Wordingham, Central Electrical Stations (London, 1901); A. Gay and C. Y. Yeaman, Central Station Electricity Supply (London, 1906); S. P. Thompson, Dynamo Electric Machinery (2 vols., London, 1905); E. Tremlett Carter and T. Davies, Motive Power and Gearing (London, 1906); W. C. Clinton, Electric Wiring (2nd ed., London, 1906); W. Perren Maycock, Electric Wiring, Fitting, Switches and Lamps (London, 1899); D. Salomons, Electric Light Installations (London, 1894); Stuart A. Russell, Electric Light Cables (London, 1901); F. A. C. Perrine, Conductors for Electrical Distribution (London, 1903); E. Rosenberg, W. W. Haldane Gee and C. Kinzbrunner, Electrical Engineering (London, 1903); E. C. Metcalfe, Practical Electric Wiring for Lighting Installations (London, 1905); F. C. Raphael, The Wireman’s Pocket Book (London, 1903). (J. A. F.)
II. Commercial Aspects.—To enable the public supply enterprises referred to in the foregoing section to be carried out in England, statutory powers became necessary to break up the streets. In the early days a few small stations were established for the supply of electricity within “block” History. buildings, or by means of overhead wires within restricted areas, but the limitations proved uneconomical and the installations were for the most part merged into larger undertakings sanctioned by parliamentary powers. In the year 1879 the British government had its attention directed for the first time to electric lighting as a possible subject for legislation, and the consideration of the then existing state of electric lighting was referred to a select committee of the House of Commons. No legislative action, however, was taken at that time. In fact the invention of the incandescent lamp was incomplete—Edison’s British master-patent was only filed in Great Britain in November 1879. In 1881 and 1882 electrical exhibitions were held in Paris and at the Crystal Palace, London, where the improved electric incandescent lamp was brought before the general public. In 1882 parliament passed the first Electric Lighting Act, and considerable speculation ensued. The aggregate capital of the companies registered in 1882–1883 to carry out the public supply of electricity in the United Kingdom amounted to £15,000,000, but the onerous conditions of the act deterred investors from proceeding with the enterprise. Not one of the sixty-two provisional orders granted to companies in 1883 under the act was carried out. In 1884 the Board of Trade received only four applications for provisional orders, and during the subsequent four years only one order was granted. Capitalists declined to go on with a business which if successful could be taken away from them by local authorities at the end of twenty-one years upon terms of paying only the then value of the plant, lands and buildings, without regard to past or future profits, goodwill or other considerations. The electrical industry in Great Britain ripened at a time when public opinion was averse to the creation of further monopolies, the general belief being that railway, water and gas companies had in the past received valuable concessions on terms which did not sufficiently safeguard the interests of the community. The great development of industries by means of private enterprise in the early part of the 19th century produced a reaction which in the latter part of the century had the effect of discouraging the creation by private enterprise of undertakings partaking of the nature of monopolies; and at the same time efforts were made to strengthen local and municipal institutions by investing them with wider functions. There were no fixed principles governing the relations between the state or municipal authorities and commercial companies rendering monopoly services. The new conditions imposed on private enterprise for the purpose of safeguarding the interests of the public were very tentative, and a former permanent secretary of the Board of Trade has stated that the efforts made by parliament in these directions have sometimes proved injurious alike to the public and to investors. One of these tentative measures was the Tramways Act 1870, and twelve years later it was followed by the first Electric Lighting Act.
It was several years before parliament recognized the harm that had been done by the passing of the Electric Lighting Act 1882. A select committee of the House of Lords sat in 1886 to consider the question of reform, and as a result the Electric Lighting Act 1888 was passed. This amending act altered the period of purchase from twenty-one to forty-two years, but the terms of purchase were not materially altered in favour of investors. The act, while stipulating for the consent of local authorities to the granting of provisional orders, gives the Board of Trade power in exceptional cases to dispense with the consent, but this power has been used very sparingly. The right of vetoing an undertaking, conferred on local authorities by the Electric Lighting Acts and also by the Tramways Act 1870, has frequently been made use of to exact unduly onerous conditions from promoters, and has been the subject of complaint for years. Although, in the opinion of ministers of the Crown, the exercise of the veto by local authorities has on several occasions led to considerable scandals, no government has so far been able, owing to the very great power possessed by local authorities, to modify the law in this respect. After 1888 electric lighting went ahead in Great Britain for the first time, although other countries where legislation was different had long previously enjoyed its benefits. The developments proceeded along three well-defined lines. In London, where none of the gas undertakings was in the hands of local authorities, many of the districts were allotted to companies, and competition was permitted between two and sometimes three companies. In the provinces the cities and larger towns were held by the municipalities, while the smaller towns, in cases where consents could be obtained, were left to the enterprise of companies. Where consents could not be obtained these towns were for some time left without supply.
Some statistics showing the position of the electricity supply business respectively in 1896 and 1906 are interesting as indicating the progress made and as a means of comparison between these two periods of the state of the industry as a whole In 1896 thirty-eight companies were at work with an aggregate capital of about £6,000,000, and thirty-three municipalities with electric lighting loans of nearly £2,000,000. The figures for 1906, ten years later, show that 187 electricity supply companies were in operation with a total investment of close on £32,000,000, and 277 municipalities with loans amounting to close on £36,000,000. The average return on the capital invested in the companies at the later period was 5.1% per annum. In 1896 the average capital expenditure was about £100 per kilowatt of plant installed; and £50 per kilowatt was regarded as a very low record. For 1906 the average capital expenditure per kilowatt installed was about £81. The main divisions of the average expenditure are:—
| 1896. | 1906. | |
Land and buildings | 22.3% | 17.8% | |
Plant and machinery | 36.7 | 36.5 | |
Mains | 35.5 | 35.5 | |
Meters and instruments | 4.6 | 5.7 | |
Provisional orders, &c. | 3.2 | 2.8 |
The load connected, expressed in equivalents of eight candle-power lamps, was 2,000,000 in 1896 and 24,000,000 in 1906. About one-third of this load would be for power purposes and about two-thirds for lighting. The Board of Trade units sold were 30,200,000 in 1896 and 533,600,000 in 1906, and the average prices per unit obtained were 5.7d. and 2.7d. respectively, or a revenue of £717,250 in 1896 and over £6,000,000 in 1906. The working expenses per Board of Trade unit sold, excluding depreciation, sinking fund and interest were as follows:—
| 1896. | 1906. | |
Generation and distribution | 2.81d. | .99d. | |
Rent, rates and taxes | .35 | .14 | |
Management | .81 | .18 | |
Sundries | .10 | .02 | |
Total | 4.07d. | 1.33d. |
In 1896 the greatest output at one station was about 512 million units, while in 1906 the station at Manchester had the largest output of over 40 million units.
The capacity of the plants installed in the United Kingdom in 1906 was:—
![]() |
Provinces | 333,000 | |||
Continuous current | 417,000 | ![]() | |||
![]() |
London | 84,000 | |||
![]() |
Provinces | 83,000 | |||
Alternating current | 132,000 | ![]() | |||
![]() |
London | 49,000 | |||
Continuous current and | ![]() |
![]() |
Provinces | 366,000 | |
alternating current | ![]() |
480,000 | ![]() | ||
combined | ![]() |
![]() |
London | 114,000 | |
1,029,000 k.w. |
The economics of electric lighting were at first assumed to be similar to those of gas lighting. Experience, however, soon proved that there were important differences, one being that gas may be stored in gasometers without appreciable loss and the work of production carried Economicson steadily without reference to fluctuations of demand. Electricity cannot be economically stored to the same extent, and for the most part it has to be used as it is generated. The demand for electric light is practically confined to the hours between sunset and midnight, and it rises sharply to a “peak” during this period. Consequently the generating station has to be equipped with plant of sufficient capacity to cope with the maximum load, although the peak does not persist for many minutes—a condition which is very uneconomical both as regards capital expenditure and working costs (see Lighting: Electric). In order to obviate the unproductiveness of the generating plant during the greater part of the day, electricity supply undertakings sought to develop the “daylight” load. This they did by supplying electricity for traction purposes, but more particularly for industrial power purposes. The difficulties in the way of this line of development, however, were that electric power could not be supplied cheaply enough to compete with steam, hydraulic, gas and other forms of power, unless it was generated on a very large scale, and this large demand could not be developed within the restricted areas for which provisional orders were granted and under the restrictive conditions of these orders in regard to situation of power-house and other matters.
The leading factors which make for economy in electricity supply are the magnitude of the output, the load factor, and the diversity factor, also the situation of the power house, the means of distribution, and the provision of suitable, trustworthy and efficient plant. These factors become more favourable the larger the area and the greater and more varied the demand to be supplied. Generally speaking, as the output increases so the cost per unit diminishes, but the ratio (called the load factor) which the output during any given period bears to the maximum possible output during the same period has a very important influence on costs. The ideal condition would be when a power station is working at its normal maximum output continuously night and day. This would give a load-factor of 100%, and represents the ultimate ideal towards which the electrical engineer strives by increasing the area of his operations and consequently also the load and the variety of the overlapping demands. It is only by combining a large number of demands which fluctuate at different times—that is by achieving a high diversity factor—that the supplier of electricity can hope to approach the ideal of continuous and steady output. Owing to the dovetailing of miscellaneous demands the actual demand on a power station at any moment is never anything like the aggregate of all the maximum demands. One large station would require a plant of 36,000 k.w. capacity if all the demands came upon the station simultaneously, but the maximum demand on the generating plant is only 15,000 kilowatts. The difference between these two figures may be taken to represent the economy effected by combining a large number of demands on one station. In short, the keynote of progress in cheap electricity is increased and diversified demand combined with concentration of load. The average load-factor of all the British electricity stations in 1907 was 14.5%—a figure which tends to improve.
Several electric power supply companies have been established in the United Kingdom to give practical effect to these principles. The Electric Lighting Acts, however, do not provide for the establishment of large power companies, and special acts of parliament have had to be promoted Power companies.to authorize these undertakings. In 1898 several bills were introduced in parliament for these purposes. They were referred to a joint committee of both Houses of Parliament presided over by Lord Cross. The committee concluded that, where sufficient public advantages are shown, powers should be given for the supply of electricity over areas including the districts of several local authorities and involving the use of exceptional plant; that the usual conditions of purchase of the undertakings by the local authorities did not apply to such undertakings; that the period of forty-two years was “none too long” a tenure; and that the terms of purchase should be reconsidered. With regard to the provision of the Electric Lighting Acts which requires that the consent of the local authority should be obtained as a condition precedent to the granting of a provisional order, the committee was of opinion that the local authority should be entitled to be heard by the Board of Trade, but should not have the power of veto. No general legislation took place as a result of these recommendations, but the undermentioned special acts constituting power supply companies were passed.
In 1902 the president of the Board of Trade stated that a bill had been drafted which he thought “would go far to meet all the reasonable objections that had been urged against the present powers by the local authorities.” In 1904 the government introduced the Supply of Electricity Bill, which provided for the removal of some of the minor anomalies in the law relating to electricity. The bill passed through all its stages in the House of Lords but was not proceeded with in the House of Commons. In 1905 the bill was again presented to parliament but allowed to lie on the table. In the words of the president of the Board of Trade, there was “difficulty of dealing with this question so long as local authorities took so strong a view as to the power which ought to be reserved to them in connexion with this enterprise.” In the official language of the council of the Institution of Electrical Engineers, the development of electrical science in the United Kingdom is in a backward condition as compared with other countries in respect of the practical application to the industrial and social requirements of the nation, notwithstanding that Englishmen have been among the first in inventive genius. The cause of such backwardness is largely due to the conditions under which the electrical industry has been carried on in the country, and especially to the restrictive character of the legislation governing the initiation and development of electrical power and traction undertakings, and to the powers of obstruction granted to local authorities. Eventually The Electric Lighting Act 1909 was passed. This Act provides:—(1) for the granting of provisional orders authorizing any local authority or company to supply electricity in bulk; (2) for the exercise of electric lighting powers by local authorities jointly under provisional order; (3) for the supply of electricity to railways, canals and tramways outside the area of supply with the consent of the Board of Trade; (4) for the compulsory acquisition of land for generating stations by provisional order; (5) for the exemption of agreements for the supply of electricity from stamp duty; and (6) for the amendment of regulations relating to July notices, revision of maximum price, certification of meters, transfer of powers of undertakers, auditors’ reports, and other matters.
The first of the Power Bills was promoted in 1898, under which it was proposed to erect a large generating station in the Midlands from which an area of about two thousand square miles would be supplied. Vigorous opposition was organized against the bill by the local authorities and it did not pass. The bill was revived in 1899, but was finally crushed. In 1900 and following years several power bills were successfully promoted, and the following are the areas over which the powers of these acts extend:
In Scotland, (1) the Clyde Valley, (2) the county of Fife, (3) the districts described as “Scottish Central,” comprising Linlithgow, Clackmannan, and portions of Dumbarton and Stirling, and (4) the Lothians, which include portions of Midlothian, East Lothian, Peebles and Lanark.
In England there are companies operating in (1) Northumberland, (2) Durham county, (3) Lancashire, (4) South Wales and Carmarthenshire, (5) Derbyshire and Nottinghamshire, (6) Leicestershire and Warwickshire, (7) Yorkshire, (8) Shropshire, Worcestershire and Staffordshire, (9) Somerset, (10) Kent, (11) Cornwall, (12) portions of Gloucestershire, (13) North Wales, (14) North Staffordshire, Derbyshire, Denbighshire and Flintshire, (15) West Cumberland, (16) the Cleveland district, (17) the North Metropolitan district, and (18) the West Metropolitan area. An undertaking which may be included in this category, although it is not a Power Act company, is the Midland Electric Corporation in South Staffordshire. The systems of generation and distribution are generally 10,000 or 11,000 volts three-phase alternating current.
The powers conferred by these acts were much restricted as a result of opposition offered to them. In many cases the larger towns were cut out of the areas of supply altogether, but the general rule was that the power company was prohibited from supplying direct to a power consumer in the area of an authorized distributor without the consent of the latter, subject to appeal to the Board of Trade. Even this restricted power of direct supply was not embodied in all the acts, the power of taking supply in bulk being left only to certain authorized distributors and to authorized users such as railways and tramways. Owing chiefly to the exclusion of large towns and industrial centres from their areas, these power supply companies did not all prove as successful as was expected.
In the case of one of the power companies which has been in a favourable position for the development of its business, the theoretical conclusions in regard to the economy of large production above stated have been amply demonstrated in practice. In 1901, when this company was emerging from the stage of a simple electric lighting company, the total costs per unit were 1.05d. with an output of about 212 million units per annum. In 1905 the output rose to over 30 million units mostly for power and traction purposes, and the costs fell to 0.56d. per unit.
An interesting phase of the power supply question has arisen in London. Under the general acts it was stipulated that the power-house should be erected within the area of supply, and amalgamation of undertakings was prohibited. After less than a decade of development several of the companies in London found themselves obliged to make considerable additions to their generating plants. But their existing buildings were full to their utmost capacity, and the difficulties of generating cheaply on crowded sites had increased instead of diminished during the interval. Several of the companies had to promote special acts of parliament to obtain relief, but the idea of a general combination was not considered to be within the range of practical politics until 1905, when the Administrative County of London Electric Power Bill was introduced. Compared with other large cities, the consumption of electricity in London is small. The output of electricity in New York for all purposes is 971 million units per annum or 282 units per head of population. The output of electricity in London is only 42 units per head per annum. There are in London twelve local authorities and fourteen companies carrying on electricity supply undertakings. The capital expenditure is £3,127,000 by the local authorities and £12,530,000 by the companies, and their aggregate capacity of plant is 165,000 k.w. The total output is about 160,000,000 units per annum, the total revenue is over £2,000,000, and the gross profit before providing for interest and sinking fund charges is £1,158,000. The general average cost of production is 1.55d. per unit, and the average price per unit sold is 3.16d., but some of the undertakers have already supplied electricity to large power consumers at below 1d. per unit. By generating on a large scale for a wide variety of demands the promoters of the new scheme calculated to be able to offer electrical energy in bulk to electricity supply companies and local authorities at prices substantially below their costs of production at separate stations, and also to provide them and power users with electricity at rates which would compete with other forms of power. The authorized capital was fixed at £6,666,000, and the initial outlay on the first plant of 90,000 k.w., mains, &c., was estimated at £2,000,000. The costs of generation were estimated at 0.15d. per unit, and the total cost at 0.52d. per unit sold. The output by the year 1911 was estimated at 133,500,000 units at an average selling price of 0.7d. per unit, to be reduced to 0.55d. by 1916 when the output was estimated at 600,000,000 units. The bill underwent a searching examination before the House of Lords committee and was passed in an amended form. At the second reading in the House of Commons a strong effort was made to throw it out, but it was allowed to go to committee on the condition—contrary to the general recommendations of the parliamentary committee of 1898—that a purchase clause would be inserted; but amendments were proposed to such an extent that the bill was not reported for third reading until the eve of the prorogation of parliament. In the following year (1906) the Administrative Company’s bill was again introduced in parliament, but the London County Council, which had previously adopted an attitude both hostile and negative, also brought forward a similar bill. Among other schemes, one known as the Additional Electric Power Supply Bill was to authorize the transmission of current from St Neots in Hunts. This bill was rejected by the House of Commons because the promoters declined to give precedence to the bill of the London County Council. The latter bill was referred to a hybrid committee with instructions to consider the whole question of London power supply, but it was ultimately rejected. The same result attended a second bill which was promoted by the London County Council in 1907. The question was settled by the London Electric Supply Act 1908, which constitutes the London County Council the purchasing authority (in the place of the local authorities) for the electric supply companies in London. This Act also enabled the Companies and other authorized undertakers to enter into agreements for the exchange of current and the linking-up of stations.
The general supply of electricity is governed primarily by the two acts of parliament passed in 1882 and 1888, which apply to the whole of the United Kingdom. Until 1899 the other statutory provisions relating to electricity supply were incorporated in provisional orders granted by the Board of Trade Legislation and regulations.and confirmed by parliament in respect of each undertaking, but in that year an Electric Lighting Clauses Act was passed by which the clauses previously inserted in each order were standardized. Under these acts the Board of Trade made rules with respect to applications for licences and provisional orders, and regulations for the protection of the public, and of the electric lines and works of the post office, and others, and also drew up a model form for provisional orders.
Until the passing of the Electric Lighting Acts, wires could be placed wherever permission for doing so could be obtained, but persons breaking up streets even with the consent of the local authority were liable to indictment for nuisance. With regard to overhead wires crossing the streets, the local authorities had no greater power than any member of the public, but a road authority having power to make a contract for lighting the road could authorize others to erect poles and wires for the purpose. A property owner, however, was able to prevent wires from being taken over his property. The act of 1888 made all electric lines or other works for the supply of electricity, not entirely enclosed within buildings or premises in the same occupation, subject to regulations of the Board of Trade. The postmaster-general may also impose conditions for the protection of the post office. Urban authorities, the London County Council, and some other corporations have now powers to make by-laws for prevention of obstruction from posts and overhead wires for telegraph, telephone, lighting or signalling purposes; and electric lighting stations are now subject to the provisions of the Factory Acts.
Parliamentary powers to supply electricity can now be obtained by (A) Special Act, (B) Licence, or (C) Provisional order.
A. Special Act.—Prior to the report of Lord Cross’s joint committee of 1898 (referred to above), only one special act was passed. The provisions of the Electric Power Acts passed subsequently are not uniform, but the following are some of the usual provisions:—
The company shall not supply electricity for lighting purposes except to authorized undertakers, provided that the energy supplied to any person for power may be used for lighting any premises on which the power is utilized. The company shall not supply energy (except to authorized undertakers) in any area which forms part of the area of supply of any authorized distributors without their consent, such consent not to be unreasonably withheld. The company is bound to supply authorized undertakers upon receiving notice and upon the applicants agreeing to pay for at least seven years an amount sufficient to yield 20% on the outlay (excluding generating plant or wires already installed). Other persons to whom the company is authorized to supply may require it upon terms to be settled, if not agreed, by the Board of Trade. Dividends are usually restricted to 8%, with a provision that the rate may be increased upon the average price charged being reduced. The maximum charges are usually limited to 3d. per unit for any quantity up to 400 hours’ supply, and 2d. per unit beyond. No preference is to be shown between consumers in like circumstances. Many provisions of the general Electric Lighting Acts are excluded from these special acts, in particular the clause giving the local authority the right to purchase the undertaking compulsorily.
B. Licence.—The only advantages of proceeding by licence are that it can be expeditiously obtained and does not require confirmation by parliament; but some of the provisions usually inserted in provisional orders would be ultra vires in a licence, and the Electric Lighting Clauses Act 1899 does not extend to licences. The term of a licence does not exceed seven years, but is renewable. The consent of the local authority is necessary even to an application for a licence. None of the licences that have been granted is now in force.
C. Provisional Order.—An intending applicant for a provisional order must serve notice of his intention on every local authority within the proposed area of supply on or before the 1st of July prior to the session in which application is to be made to the Board of Trade. This provision has given rise to much complaint, as it gives the local authorities a long time for bargaining and enables them to supersede the company’s application by themselves applying for provisional orders. The Board of Trade generally give preference to the applications of local authorities.
In 1905 the Board of Trade issued a memorandum stating that, in view of the revocation of a large number of provisional orders which had been obtained by local authorities, or in regard to which local authorities had entered into agreements with companies for carrying the orders into effect (which agreements were in many cases ultra vires or at least of doubtful validity), it appeared undesirable that a local authority should apply for a provisional order without having a definite intention of exercising the powers, and that in future the Board of Trade would not grant an order to a local authority unless the board were satisfied that the powers would be exercised within a specified period.
Every undertaking authorized by provisional order is subject to the provision of the general act entitling the local authority to purchase compulsorily at the end of forty-two years (or shorter period), or after the expiration of every subsequent period of ten years (unless varied by agreement between the parties with the consent of the Board of Trade), so much of the undertaking as is within the jurisdiction of the purchasing authority upon the terms of paying the then value of all lands, buildings, works, materials and plant, suitable to and used for the purposes of the undertaking; provided that the value of such lands, &c., shall be deemed to be their fair market value at the time of purchase, due regard being had to the nature and then condition and state of repair thereof, and to the circumstance that they are in such positions as to be ready for immediate working, and to the suitability of the same to the purposes of the undertaking, and where a part only of the undertaking is purchased, to any loss occasioned by severance, but without any addition in respect of compulsory purchase or of goodwill, or of any profits which may or might have been or be made from the undertaking or any similar consideration. Subject to this right of purchase by the local authority, a provisional order (but not a licence) may be for such period as the Board of Trade may think proper, but so far no limit has been imposed, and unless purchased by a local authority the powers are held in perpetuity. No monopoly is granted to undertakers, and since 1889 the policy of the Board of Trade has been to sanction two undertakings in the same metropolitan area, preferably using different systems, but to discourage competing schemes within the same area in the provinces. Undertakers must within two years lay mains in certain specified streets. After the first eighteen months they may be required to lay mains in other streets upon conditions specified in the order, and any owner or occupier of premises within 50 yds. of a distributing main may require the undertakers to give a supply to his premises; but the consumer must pay the cost of the lines laid upon his property and of so much outside as exceeds 60 ft. from the main, and he must also contract for two and in some cases for three years’ supply. But undertakers are prohibited in making agreements for supply from showing any undue preference. The maximum price in London is 13s. 4d. per quarter for any quantity up to 20 units, and beyond that 8d. per unit, but 11s. 8d. per quarter up to 20 units and 7d. per unit beyond is the more general maximum. The “Bermondsey clause” requires the undertakers (local authority) so to fix their charges (not exceeding the specified maximum) that the revenue shall not be less than the expenditure.
There is no statutory obligation on municipalities to provide for depreciation of electricity supply undertakings, but after providing for all expenses, interest on loans, and sinking fund instalments, the local authority may create a reserve fund until it amounts, with interest, to one-tenth of the aggregate capital expenditure. Any deficiency when not met out of reserve is payable out of the local rates.
The principle on which the Local Government Board sanctions municipal loans for electric lighting undertakings is that the period of the loan shall not exceed the life of the works, and that future ratepayers shall not be unduly burdened. The periods of the loans vary from ten years for accumulators and arc lamps to sixty years for lands. Within the county of London the loans raised by the metropolitan borough councils for electrical purposes are sanctioned by the London County Council, and that body allows a minimum period of twenty years for repayment. Up to 1904–1905, 245 loans had been granted by the council amounting in the aggregate to £4,045,067.
In 1901 the Institution of Civil Engineers appointed a committee to consider the advisability of standardizing various kinds of iron and steel sections. Subsequently the original reference was enlarged, and in 1902 the Institution of Electrical Engineers was invited to Standardization.co-operate. The treasury, as well as railway companies, manufacturers and others, have made grants to defray the expenses. The committee on electrical plant has ten sub-committees. In August 1904 an interim report was issued by the sub-committee on generators, motors and transformers, dealing with pressures and frequencies, rating of generators and motors, direct-current generators, alternating-current generators, and motors.
In 1903 the specification for British standard tramway rails and fish-plates was issued, and in 1904 a standard specification for tubular tramway poles was issued. A sectional committee was formed in 1904 to correspond with foreign countries with regard to the formation of an electrical international commission to study the question of an international standardization of nomenclature and ratings of electrical apparatus and machinery.
The electrical manufacturing branch, which is closely related to the electricity supply and other operating departments of the electrical industry, only dates from about 1880. Since that time it has undergone many vicissitudes. It The electrical industry.began with the manufacture of small arc lighting equipments for railway stations, streets and public buildings. When the incandescent lamp became a commercial article, ship-lighting sets and installations for theatres and mansions constituted the major portion of the electrical work. The next step was the organization of house-to-house distribution of electricity from small “central stations,” ultimately leading to the comprehensive public supply in large towns, which involved the manufacture of generating and distributing plants of considerable magnitude and complexity. With the advent of electric traction about 1896, special machinery had to be produced, and at a later stage the manufacturer had to solve problems in connexion with bulk supply in large areas and for power purposes. Each of these main departments involved changes in ancillary manufactures, such as cables, switches, transformers, meters, &c., so that the electrical manufacturing industry has been in a constant state of transition. At the beginning of the period referred to Germany and America were following the lead of England in theoretical developments, and for some time Germany obtained electrical machinery from England. Now scarcely any electrical apparatus is exported to Germany, and considerable imports are received by England from that country and America. The explanation is to be found mainly in the fact that the adverse legislation of 1882 had the effect of restricting enterprise, and while British manufacturers were compulsorily inert during periods of impeded growth of the two most important branches of the industry—electric lighting and traction—manufacturers in America and on the continent of Europe, who were in many ways encouraged by their governments, devoted their resources to the establishment of factories and electrical undertakings, and to the development of efficient selling organizations at home and abroad. When after the amendment of the adverse legislation in 1888 a demand for electrical machinery arose in England, the foreign manufacturers were fully organized for trade on a large scale, and were further aided by fiscal conditions to undersell English manufacturers, not only in neutral markets, but even in their own country. Successful manufacture on a large scale is possible only by standardizing the methods of production. English manufacturers were not able to standardize because they had not the necessary output. There had been no repetitive demand, and there was no production on a large scale. Foreign manufacturers, however, were able to standardize by reason of the large uniform demand which existed for their manufactures. Statistics are available showing the extent to which the growth of the electrical manufacturing industry in Great Britain was delayed. Nearly twenty years after the inception of the industry there were only twenty-four manufacturing companies registered in the United Kingdom, having an aggregate subscribed capital of under £7,000,000. But in 1907 there were 292 companies with over £42,000,000 subscribed capital. The cable and incandescent lamp sections show that when the British manufacturers are allowed opportunities they are not slow to take advantage of them. The cable-making branch was established under the more encouraging conditions of the telegraph industry, and the lamp industry was in the early days protected by patents. Other departments not susceptible to foreign competition on account of freightage, such as the manufacture of storage batteries and rolling stock, are also fairly prosperous. In departments where special circumstances offer a prospect of success, the technical skill, commercial enterprise and general efficiency of British manufacturers manifest themselves by positive progress and not merely by the continuance of a struggle against adverse conditions. The normal posture of the British manufacturer of electrical machinery has been described as one of desperate defence of his home trade; that of the foreign manufacturer as one of vigorous attack upon British and other open markets. In considering the position of English manufacturers as compared with their foreign rivals, some regard should be had to the patent laws. One condition of a grant of a patent in most foreign countries is that the patent shall be worked in those countries within a specified period. But a foreign inventor was until 1907 able to secure patent protection in Great Britain without any obligation to manufacture there. The effect of this was to encourage the manufacture of patented apparatus in foreign countries, and to stimulate their exportation to Great Britain in competition with British products. With regard to the electrochemical industry the progress which has been achieved by other nations, notably Germany, is very marvellous by comparison with the advance made by England, but to state the reasons why this industry has had such extraordinary development in Germany, notwithstanding that many of the fundamental inventions were made in England, would require a statement of the marked differences in the methods by which industrial progress is promoted in the two countries.
There has been very little solidarity among those interested in the commercial development of electricity, and except for the discussion of scientific subjects there has been very little organization with the object of protecting and promoting common interests. (E. Ga.)