< Page:Popular Science Monthly Volume 63.djvu
This page has been proofread, but needs to be validated.

HERTZIAN WAVE WIRELESS TELEGRAPHY.

115

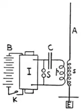
condenser through the primary coil of a transformer of a particular kind, called an oscillation transformer (see Fig. 9). The spark balls are brought within a few millimeters of each other. When the coil is set in operation, the jar is charged and discharged through the spark gap, and electrical oscillations are set up in the circuit consisting of the dielectric of the jar, the primary coil of the oscillation trans former and the spark gap. The secondary Fig. 9. Marconi-Braun System of inducing Electromotive Force in an Aerial A. B, battery; K key, I, induction coil; S spark gap; C, Leyden jar; E, earth plate; ps, oscillator transformer. circuit of this oscillation transformer is connected in between the earth and the insulated aerial wire; hence when the oscillations take place in the primary circuit, they induce other oscillations in the aerial circuit. But the arrangement is not very effective unless, as is shown by Mr. Marconi, the two circuits of the oscillation transformer are tuned together.

We shall return presently to the consideration of this form of transmitter; meanwhile, we may notice that by means of such an arrangement it is possible to create in the aerial a far greater charging electromotive force than would be the case if the aerial were connected directly to one terminal of the secondary circuit of the induction coil, the other terminal being to earth, and the two terminals connected as usual by spark balls. By the inductive arrangement it is possible to create in an aerial electromotive forces which are equivalent to a spark of a foot in length, and when the length of the aerial is also properly proportioned, the potential along it will increase all the way up, until at the top or insulated end of the aerial it may reach an amount capable of giving sparks several feet in length. From the remarks already made on the analogy between the closed organ-pipe and the Marconi aerial wire, it will be seen that the wave which is radiated from the aerial must have a wave length four times that of the aerial, if the aerial is vibrating in its fundamental manner. It is also possible to create electrical oscillations in a vertical wire which are the harmonics of the fundamental. All musicians are aware that in the case of an organ-pipe, if the pipe is blown gently it sounds a note which is called the fundamental of the pipe. The celebrated mathematician, Daniel Bernouilli, discovered that an organ-pipe can be made to yield a succession of musical notes by properly varying the pressure of the current of air blown into it. If the pipe is an open pipe, and if we call the frequency of the primary note obtained when the pipe is gently blown, unity, then when we blow more strongly, the pipe yields notes which are the

    This article is issued from Wikisource. The text is licensed under Creative Commons - Attribution - Sharealike. Additional terms may apply for the media files.