CHAPTER V.
the seedling and young plant. (continued).
Structure of the Vascular Tissues, etc.
Before plunging into the intricacies of the vascular bundles it will be well to obtain some idea of the general plan of structure which they present on transverse section (Fig. 9). As already seen, each of the bundles of the ring consists of a xylem portion on the side next the center of the stem, and a phloëm portion on the side next the periphery, and these portions are separated by the cambium layer. The tissue in the center of the stem, and surrounded by the ring of bundles, is called the pith; the tissue outside the ring, and between it and the epidermis, is called the cortex; and the tissue left between the bundles is termed the primary medullary rays (Fig. 9).
It will, of course, be remembered that the term "ring," as used above, always expresses the fact that a cylinder is here viewed in section. Now, the cambium of the individual bundles soon unites across the primary medullary rays, and thus a complete hollow cylinder of cambium is formed throughout the stem, and, as we shall see later, throughout the root also. For the present it must suffice to notice that the cells of this cambium cylinder go on developing into new xylem, or phloëm, or medullary rays, according to position and circumstances; meanwhile we are only concerned with the vascular bundles of the young shoot.
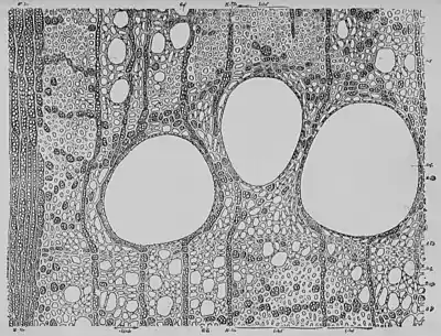
On the transverse section through the very young shoot, provided the preparation is thin and examined with a high power of the microscope, the young vascular bundles are found to present a definite and symmetrical structure, easily distinguished from that of the fundamental cell-tissue in which they are, so to speak, imbedded (Fig. 12).
The cells of the medullary rays are seen in one, two, or several rows, each cell having the form of a parallelopiped or ordinary brick—the bricks being supposed standing on their narrow sides and with the long axes directed radially. The walls in contact with the vascular bundles are thickened, and soon become woody and beset with simple pits; the cells contain protoplasm and nuclei, and in winter become filled to crowding with starch grains. They also contain tannin.
The young vascular bundles, in section, project into the pith—like wedges with a rounded point—giving to the latter the five-rayed shape on the transverse section already referred to (Fig. 9).
The cells of the pith also have their walls thickened and pitted, and also contain protoplasm, nuclei, and tannin, and starch in winter. At the rounded angles of the vascular wedges the cells are smaller than _Fig_12.jpg.webp)
Fig. 12.—Transverse section of young stem, showing primary vascular bundles, etc., highly magnified. a and h, the pith; c, primary cortex; i, epidermis; h, periderm (cork); g, collenchyma. Two complete primary vascular bundles, and parts of two others, are shown, separated by the primary medullary rays. r, spiral vessels (protoxylem); k, bast-fibers (protophloëm); n, m, cambium, separating the phloëm from the xylem; p, wood-parenchyma. Secondary medullary rays are seen in the bundles, as also are pitted vessels of different sizes. (Th. Hartig.)
where in the pith, but otherwise their shape, etc., are similar; all the pith-cells are vertically twice or three times as long as broad. Thus the shape of the cells is that of short, polygonal prisms, standing on end and closely packed.
Imbedded, as it were, in the smaller pith-cells at the rounded angles of the vascular wedges are the oldest—i. e., first-formed—vessels, looking like small holes with very firm outlines (Fig. 12, r). These are the tracheæ, or vessels with unrollable spiral thickenings on their walls. From their shape and peculiarities they are called spiral vessels, and from their position and development they constitute the first-formed elements of the xylem or wood. They are of very narrow caliber, and stand in radial, short rows, single or branched; those first developed—i.e., nearest the pith—are the narrowest, their diameter being often even less than that of the smallest pith-cells among which they lie. As we pass radially out towards the cortex these vessels get wider and wider, but the true spiral vessels are always very narrow (Fig. 16, sp). Occasionally some of these vessels have annular instead of spiral thickenings.
Of course, their true characters are not elucidated until we compare longitudinal sections of the stem. It is then seen that the spiral thickenings are very closely wound, sometimes to the right, sometimes to the left, and occasionally double. Comparative studies of longitudinal sections also show that these vessels at first simply consist of longitudinal rows of very narrow, vertically placed cylindrical cells, standing end to end; it is because the adjacent ends become resorbed and disappear that the rows of cells at length form long, continuous tubes—vessels, or tracheæ.
Turning once more to the transverse section, as the eye follows the bundle radially outward the lumina of the vessels in the radial rows are found to become wider and wider, until we meet with vessels with diameters many times greater than that of the pith-cells. The walls of these wider vessels, however, are not strengthened with spiral thickenings, but are thickened and furnished with bordered pits, the shape and characters of which are best seen from the illustrations (Figs. 14-16). These larger vessels are not always associated with the radial rows of spiral vessels, but may be scattered between them.
The vessels intermediate between the spiral and the pitted ones are thickened sometimes with reticulations. All these larger vessels have septa inclined towards the medullary rays, and perforated with several long, oval, parallel, horizontal holes: hence the segments are easily macerated and distinguished, and their lengths are found to be variable (Fig. 16, pv).
The large pitted vessels form groups with parenchyma and wood-cells scattered between, and are confined chiefly to the inner parts, forming radiating series side by side; in the outer parts of the bundle are various groups of smaller vessels—the groups being rounded, or in radial rows, or curved or oblique rows.
_Fig_13.jpg.webp)
Fig. 13.— Highly-magnified transverse section of wood of oak, showing three of the large pitted vessels (Gef) and a number of smaller ones. M.Str, medullary rays, of which part of a large one is shown to the left; Librf, wood-fibers; H.P., wood-parenchyma; Trach, tracheids; J.Gr, boundary of annual ring. (Kny.)
_Fig_14.jpg.webp)
Fig. 14.—Radial longitudinal section of wood of oak (highly magnified). M.Str, medullary rays; Trach, tracheids; Gef (to the left), smaller pitted vessels; Librf, wood-fibers; H.P., wood-parenchyma. The large mass of tracheids to the left of the center of the figure lies over one of the broad pitted vessels. J.Gr, boundary of annual ring. (Kny.)
_Fig_15.jpg.webp)
Fig. 15.— Tangential longitudinal section of wood of oak (highly magnified). To the left is a large medullary ray (M.Str), and numerous small ones are seen in various parts of the section—of course, in transverse section. Librf, wood-fibers; Gef, smaller pitted vessels; Trach, tracheids; H.P., wood-parenchyma. (Kny.)
Successive sections prove that the vessels in the bundle change in number—i.e., there are fewer when passing from stem to leaf. A vessel may end in an interpectinating, pointed, terminal cell; or it may branch, as it were, dichotomously, owing to fusions with other similar elements; or such a fusion may occur lower down, the original vessel ending blindly.
In the vicinity of the reticulated and first pitted vessels, following on the spiral vessels, we find libriform fibers, tracheids, wood-parenchyma, and secondary rays of parenchyma; the tracheids are especially in the neighborhood of the vessels (see Fig. 14).
The tracheids are long cells with gradually tapering ends, and the walls rather thick but by no means obscuring the lumen; on the walls are numerous, usually elongated, oblique or horizontal bordered pits. These pits occur whether the next element is a tracheid, a vessel, or fibers or cells of any kind (Fig. 16, tr).
The length of the tracheids varies, and the diameter is also variable.
The libriform fibers are also long cells, but often more pointed at the ends, and their very thick walls almost obliterate the lumen (Fig. 16, f); their length is about that of the tracheids, but slit-like, small, simple pits are rare on their walls. In the wood of later years, however, the lengths may be different.
There are also elements which stand midway between the true fibers and tracheids; they occur in those parts where masses of true fibers abut on the groups _Fig_16.jpg.webp)
Fig. 16.— The various chief elements of the wood of the oak, isolated by maceration, and highly magnified. f, a fiber, distinguished by its thick walls, simple slit-like pits, and no contents; w.p, part of a row of wood-parenchyma cells, with simple pits, and containing starch in winter; tr., a tracheid, distinguished from the fiber especially by its bordered pits; p.v, part of a rather large pitted vessel, made up of communicating segments, each of which corresponds to a tracheid, and has bordered pits on its walls; sp. part of a spiral vessel.
consisting of vessels and tracheids. They resemble tracheids, but have very few and small, scarcely bordered, oblique, slit-like pits: every stage can be detected between these and true fibers. They must be looked upon as, so to speak, abnormal, because their numbers are small compared with the typical elements among which they occur.
The wood-parenchma consists of vertical groups of short cells, each group having the fusiform shape of a tracheid (Fig. 16, w.p): hence the upper and lower cell of each group has a pointed end. Each group obviously arises from the transverse divisions of a long, prismatic cell, pointed at both ends—a cambium cell. The transverse section is round, and somewhat larger than that of a tracheid, and the walls are somewhat thinner. Where they abut on vessels and tracheids their walls have bordered pits, but where they stand in contact with similar groups, or with parenchyma rays, the pits are simple. During periods of rest they are loaded with starch grains.
The length of the groups—i.e., of the fusiform cells cut up into short cells—varies; the shorter ones have only one transverse division.
The wood-parenchyma is less abundant than the tracheids and fibers, and predominates in the more vascular parts; after two to four or more fibers in a radial row a single parenchyma cell may often be seen, but other arrangements occur. In the parts where fewer vessels occur it is not uncommon to find a series of radial rows of about six to ten fibers end in a single parenchyma cell, and thus are formed short, tangential rows of wood-parenchyma cells, intercalated, as it were, between the radial rows of other elements (Fig. 12, p). It often happens, moreover, that reticulated and pitted vessels are closely surrounded by wood-parenchyma.
The secondary medullary rays exist as single radial rows of cells, agreeing in form, etc., with the cells of the primary medullary rays. In contact with one another or with wood-parenchyma their walls have simple pits, but they have bordered pits where they abut on tracheids or vessels. In winter these cells are filled with starch. On tangential sections (Fig. 15) it is easy to see how the vertical groups of cells have the same origin as the groups of wood-parenchyma cells—the difference being that the cambial cells which are going to be transformed by horizontal divisions, etc., into vertical rows of ray parenchyma, undergo repeated tangential longitudinal divisions, and so continued radial rows are formed. The cells of these rays are often much shorter than those of the wood-parenchyma, yet all gradations occur. The mother-cells may be very long, evidently corresponding to two, and they may also divide in the radial longitudinal plane, and the ray become biseriate.
These secondary rays start (on the transverse section) from the first large vessels, or from younger ones, or they may start from other points. The ray may sometimes cease within the first year's bundle: but the difficulty comes in of deciding whether a continuation occurs at a higher or lower level.
The cells of the cambium, seen in transverse section, are rectangular in shape and arranged in regular radial rows, owing to the regular tangential divisions (Fig. 12, n, m). In longitudinal sections they are found to be like the tracheids in shape and size, so that they stand one behind the other at the same level. Regarding the tangential series in rings, however, they are less regular, because the tangential longitudinal divisions of two cells side by side do not lie in the same tangential plane. This regular radial arrangement would be found in the xylem also, and is so to a certain extent, but it is disturbed by the differences in diameter which the various elements attain later. The fibers are most apt to preserve the regularity, but in many cases growth in length, and the intercalation of oblique septa, disturb it.
In later years the length of the cambial cells increases, and hence the length of the elements in the wood.
The phloëm or bast of the individual bundle is separated from its neighbors by large rays of parenchyma, the cells of which agree with the secondary bast-parenchyma rays. As these pass into the cortex they widen, as they do at the pith (Fig. 12).
The oldest portion of the phloëm—that next the cortex—consists of a group of thick-walled bast fibers with their lumina nearly obliterated; these are long, spindle-shaped fibers much like the fibers of the wood.
As a rule, the outer and inner side of these bast groups are in contact with vertical rows of nearly cubical parenchyma cells, strongly thickened on the side next the bast, and each nearly filled with a crystalline clump or with an imperfectly formed crystal of oxalate of lime. Similar vertical rows of crystal cells may also occur within the groups of bast fibers, the walls of the cubical cells being more or less thickened and simply pitted. Occasionally a cell here and there retains thin walls. The vertical rows result from cross-divisions of prosenchymatous mother-cells, the conical ends being found in macerations.
Within the groups of bast fibers are yet other rows, similarly formed, of parenchyma (Fig. 17, bp), the cells of which are longer, however, attaining the length of the wood-parenchyma; like the latter also their walls are lignified and rather thick, and they contain starch in the winter. Thus we have parenchyma in the bast. Transitions between these two forms of parenchyma cells are also found.
The cells of the rays between the bast fibers are thickened and pitted; they are rounded, and not in vertical series as in the rest of the rays, but are scattered in no particular order. Sometimes they are few, and one or all with very thick walls perforated by pit-canals (Fig. 17, bs).
The remaining younger part of the bast consists chiefly of delicate, apparently irregular parenchyma cells with cellulose walls; this is easily traced to the _Fig_17.jpg.webp)
Fig. 17.—Transverse section of cortex and phloëm of oak (highly magnified). k, the periderm (cork), which has replaced the epidermis; c, collenchyma; d, cells of cortex containing crystals of oxalate of lime; s, schlerenchyma cells. All these belong to the cortex proper. Below these come the phloëm; b, b, groups of hard bast fibers; bp, phloëm-parenchyma; bs, medullary ray; e, cells containing crystals of oxalate of lime. (Luerssen.)
cambium. The radial rows of the latter can be followed for some distance, the radial diameter of the cells increasing, the walls thickening, and the rectangular shape changing. Displacements from the radial arrangement then occur. A few cells assume a nearly circular form (i. e., in transverse section), and the larger ones are effective in causing displacements. The bast cells developed earlier, and therefore more distant from the cambium zone, now lie in the perceptibly large periphery, and thus undergo tangential extension or radial compression, and so undergo changes of form. Besides these alterations in form and position, the more delicate bast elements increase in numbers by the development of perpendicular division walls; this is quite clear in those parts nearest the cambium, but farther out, where great irregularity occurs, it is impossible to say which cells have arisen direct from the cambium and which by these later divisions. Still, certain thin septa betray their late origin.
On tangential sections we see elongated, pointed, interpectinating cells, with secondary rays of parenchyma between, showing that these are formed and continued by the cambium. Each pointed cell has proceeded from a cambium cell, and indeed only differs in its thicker walls and pits. These cells are still simple, or here and there have a transverse septum obliquely across. If the tangential section is in a slightly older portion, most of the above cells are found to be septate and cut up into parenchyma-like cells—irregular bast-parenchyma. The walls, especially the longitudinal walls, are marked either with crowded small pits giving a reticulate appearance, or have sieve-plates; all intermediate stages occur also. The transverse walls are also pitted with sieve-plates.
All the cells of the soft bast contain tannin, and small grains which turn brown in iodine (leucoplasts?). Very little starch is found in them except in winter. Crystals occur in pitted cells here and there (Fig. 18, d and e).
Even in the first year the cambium may produce small groups of thick-walled bast fibers of exactly the same character as those of the primordial groups.
It is obvious that while the wood elements remain fixed in the cylindrical surface where they are developed, the bast elements formed outside the cambium, being driven outward in consequence of growth in thickness, come to lie in a layer of continually increasing radius. If these last elements were unyielding and lignified there would be a solid sheath of elements which refused to extend by mechanical distention, cell division, or growth of cell-walls; this would finally rupture under the pressure from within. This is prevented by the division and growth of the chief phloëm-elements.
In the vascular-bundle system of the stem there are no essential differences in structure as we pass from one region to another; the only variations are in the thickness or breadth of the bundles at different points, such as where other bundles join or leave them. As the leaf-trace passes into the venation of the leaf the ends become thinner (Fig. 21), and the same is found as it tails off below; changes in structure also appear in the leaves.
_Fig_18.jpg.webp)
Fig. 18.—Longitudinal radial section of the cortex and phloëm of oak. References as in Fig. 17. (Luerssen.)
The first noticeable change is the diminution in the number of wood fibers and the presence of narrow vessels only. As the trace passes through the cortex to the leaf the actual number of both xylem- and phloëm- elements diminishes; hence it comes about that the bundles in the leaves consist to a relatively large extent of spiral vessels in the xylem and of sieve-tubes in the phloëm. As the bundles leave the midrib and larger veins the true continuous vessels disappear altogether, and only spindle-shaped tracheids with reticulated or spiral thickenings occur, fitting obliquely at their pointed ends, and which are shorter and shorter as we approach the ends of the bundles.
The phloëm also is at length reduced to little more than one or two sieve-tubes, the segments of which are shorter and shorter as we near the end. The shortening of the elements is in evident correlation with the early cessation of growth in length of the parts of the leaf, and the diminution of the number of elements with the decreased supply of fluids, etc., on the one hand, and the smaller weight and strains to be supported on the other.
We may sum up the changes in structure towards the ends of the vascular bundles thus: The thickening of the walls is less, and the elements become narrower and shorter; the xylem becomes simplified by the loss of fibers and vessels, until finally only delicate tracheids are left (Fig. 21), the thickenings of which are at length not spirals or nets for the most part, but irregular pittings. Moreover, they are nearly isolated. Nevertheless, the inner elements can be distinguished as primary tracheal elements, because, being earlier formed, they partook more in what elongation occurred, and their spirals, for instance, are wider apart.
In the midrib, in proportion as the structural changes go on, the bundles approach one another, the separating parenchyma becoming narrower and narrower. The pith consists of parenchyma, chiefly unlignified and with simple pits, but as the bundles are approached the cells become longer and lignified; the rays between the xylem groups are also lignified.
Towards autumn the cells of the pith and rays fill with starch; this is nearly, but not quite, all resorbed before the leaf falls.
The termination of the bundles in the leaf consists only of a few narrow spiral and reticulated cells, which at last become very short and variable in shape, and of a few small sieve elements and cells (see Chapter VI).